Descrizione prodotto
Termostato Elettronico per Riscaldamento a Pavimento con Interruttore Bipolare
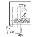
Il ECtemp 531 è un termostato elettronico semplice e affidabile, progettato per controllare i sistemi di riscaldamento a pavimento. Dotato di un interruttore bipolare per una maggiore sicurezza e un sensore ambiente integrato, misura e regola con precisione la temperatura dell'aria per garantire un comfort ottimale. Questo termostato può essere installato sia a filo (flush-mounted) che in superficie (surface-mounted), offrendo flessibilità per diverse configurazioni di installazione.
Regolazione Facile e Indicatore LED
Il ECtemp 531 è dotato di una manopola per regolare la temperatura, con una scala che va da 5°C a 35°C, ideale per il controllo preciso della temperatura interna. Un LED integrato indica lo stato del sistema: luce verde per i periodi di standby e luce rossa per i periodi di riscaldamento attivo, offrendo un feedback visivo immediato.
Funzionalità di Sicurezza e Efficienza Energetica
Grazie al 2-pole safety breaker, il ECtemp 531 garantisce una protezione extra contro i cortocircuiti. Con un consumo energetico in standby estremamente basso (solo 0,25 W), questo termostato è progettato per essere efficiente e ridurre i costi energetici. Include anche un sistema di monitoraggio dei guasti del sensore, assicurando il corretto funzionamento del sistema di riscaldamento.
Caratteristiche Tecniche Principali
-
Tensione di alimentazione: 230 V CA
-
Carico resistivo massimo: 15 A
-
Interruttore relè: 2 poli
-
Temperatura ambiente regolabile: 5°C - 35°C
-
Consumo in standby: 0,25 W
-
Protezione antigelo: 5 °C
-
Classe di protezione IP: IP31
Progettato per sistemi di riscaldamento a pavimento interni, il ECtemp 531 offre una regolazione precisa della temperatura, sicurezza avanzata e una configurazione semplice. Il suo design versatile lo rende perfetto per abitazioni e ambienti commerciali, combinando comfort e risparmio energetico in un unico dispositivo.
Specifiche Tecniche:
Tipo di prodotto | Termostato per riscaldamento elettrico a pavimento |
Modello | ECtemp 531 |
Tipo di display | Nessun display |
Applicazione | Riscaldamento a pavimento |
Tipo di regolazione | Isteresi |
Tipo di sensore | Tetto |
Dimensioni | 85 mm x 85 mm x 36 mm |
Montaggio | Non DIN |
Tensione di alimentazione | 230 V CA (min 220 V, max 240 V) |
Interruttore relè | 2 poli |
Carico resistivo massimo | 15 A |
Carico induttivo | cos φ= 0.3 max 1A |
Temperatura - ambiente | Min: -10 °C, Max: 30 °C |
Temperatura - pavimento | Min: 5 °C, Max: 45 °C |
Protezione antigelo | 5 °C |
Classe di protezione IP | IP31 |
Grado di inquinamento | 2 |
Dimensione massima cavo terminale | 2 x 2,5 mm² |
Consumo in standby | 0.25 W [Max] |
Approvazioni | CE, NEMKO |
Conformità RoHS UE | Sì |
Pagamenti e Sicurezza
Le tue informazioni di pagamento vengono elaborate in modo sicuro. Non memorizziamo i dettagli della carta di credito né abbiamo accesso alle informazioni della tua carta di credito.